Sensor indutivo, conexão M8 (3 polos), saída de comutação: PNP (NA), alcance: 2mm, frequência de comutação: 600Hz, tensão de serviço: 10...30 VDC.
Sensores de proximidade indutivos geram um campo magnético a partir de sua face sensora. Sempre que um objeto detectável se move em frente a face sensora, pequenas correntes parasitas se acumulam no alvo, alteram o campo magnético do sensor, e na amplitude do sinal proveniente do oscilador. Quando este sinal se torna muito baixo, o circuito de disparo percebe a mudança e realiza a comutação na saída.
Sensores de proximidade indutivos são adequados exclusivamente para detecção de todos os tipos de metais ferrosos.
VANTAGENS
-Não é afetado por umidade e poeira
-Sem peças móveis, sem desgaste mecânico
-Independentemente da cor do objeto para detectar
-Não há zona morta
LINHA CORPO EM AÇO INOX
Detecções garantidas e com alta proteção no corpo dos sensores. Modelos construídos em aço inox e com face sensora em plásticos POM e LCP. Opções com comprimento padrão nos modelo M4 e M5 (25 a 40 mm), e curto nos modelos M5, M6,5 , M8, M12 e M30 (40,4 a 67,7 mm). Alcances de 0,8 a 20 mm, com conexões a cabo, conector M8 ou conector M12 e grau de proteção IP69k.
A Safety Control é uma empresa especializada em sensores, leitores de códigos, sistemas de visão e inspeção automática, rastreabilidade e indústria 4.0. Equipamentos de ponta e de alta tecnologia que irão fazer a diferença e agregar valor à sua empresa e seu produto. Nosso time de especialistas está a sua disposição!
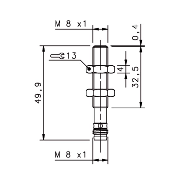
| Formato construtivo | M8x1 |
| Instalação | faceado |
| Alcance | 2mm |
| Saída de comutação | NPN Contato normalmente aberto (NF) |
| Frequência de comutação | 500Hz |
| Material do invólucro | Latão, niquelado |
| Superfície ativa, material | LCP |
| Conexão | Conector de encaixe, M8x1-Conector, 3-polos |
| Tensão de serviço UB | 10...30 VDC |
| Temperatura ambiente | -25...60°C |
| Classe de proteção | IP67 |
| Código Safety Control | 005256 |
| Código do Fornecedor | 95B063131 |
| Catálogo | CATÁLOGO SENSORES INDUTIVOS DATALOGIC | Visualizar PDF |
| Datasheet | DATASHEET IS-08-G4-S1 | Visualizar PDF |
| Catálogo | CATÁLOGO SENSORES INDUTIVOS DATALOGIC | Visualizar PDF |
| Datasheet | DATASHEET IS-08-G4-S1 | Visualizar PDF |
Av. Presidente Wenceslau Braz, 2683 - Curitiba
81010-000 - Paraná - Brasil
Curitiba-PR
(41) 3242-0316
Toledo-PR
(45) 3197-2398
Maringa- PR
(44) 3112-0257
0